6G Celicas Forums

Welcome Guest ( Log In | Register )

> 3rd Gen 3S-GE swapping information thread, Use your old harness w 2/3gen swaps?
post Dec 15, 2013 - 3:13 PM
+Quote Post
H8TRAIN



Enthusiast
*
Joined Oct 20, '13
From Cal Bay Area
Currently Offline

Reputation: 0 (0%)




Wiring for Non-Turbo 3SGE swaps into Celica ST204 is undocumented. Strange but true. As of today, we have two 6gc members (KAOS and mi645) attempting the 3rd gen 3sge swap with no information on how to wire them.

I understand that the swaps have been done and are not difficult. I’m starting this thread in hopes that those with the experience can answer some questions about these swaps. The details of the wiring all follow from one primary question.

Question: Is it best to use a 5sfe harness to swap in the 2/3gen 3sge?

(Reminder: 3sge means non turbo or na. Without a ‘t’ in it. Not 3sgte. Normally aspirated.This thread is about the 3sge, NOT the BEAMS. That is not a typo. Atmo. Strictly vacuum. Sucker not blower.)

Following are the threads and posts that lead to this question.

This was posted on here by 99gt3sge

QUOTE (99gt3sge @ Aug 9, 2013 - 3:34 AM) *
you can use your 3s harness, i did a swap for my friend using a 3rd gen 3sge non beams with his original 5sfe harness, i had to wire up two injectors, re-pin the dizzy, and re-pin the ecu plugs to run the ge ecu. and extended some of the tb plugs and wire in the acis solenoid. it's not as easy as wiring a honda but it's very doable.


From eazy2001x on mr2oc:

QUOTE
thats a Gen 2 celica engine, your better off using a 5S harness and modding it to work.



From user pimpm3 on mr2oc:
Sadly, the image of the wiring changes that he made seems to be lost on the internet. I tried waybackmachine. No luck.

QUOTE
I had a hard time finding the exact instructions on how to wire in a 2nd Gen 3sge into a 1991 Na car, so I made a chart that shows how I did it. I hope this helps.

The 26 Pin and 16 Pin connectors plug straight into the ECU from the engine harness, the only wiring I had to do was on the 22 Pin connector. I took the wires from the 14 Pin Body harness conector that and soldered them on as follows to the 22 Pin connector so it will fit in the 3sge ecu. I labeled the wires on each conector before I cut them and then all you have to do is match them up.

The car starts right up and runs great. You can hook STA from the 22 Pin Connector up to the starter relay if you like but I did not and the car starts fine with out it.


Open questions for anyone who knows:

Can the 5sfe celica wiring harness be used on a 3rd gen 3sge swap?
If so what changes must be made?
Is it simply an act of opening both ecus, looking at the printed diagrams, and matching them up?

The 3rd gen motor is supposedly the easiest to install but is the 2nd gen really any harder? Can not the 5sfe harness be modified slightly to run the 2nd gen engine and ecu? Again do the ecus need to be simply opened to reveal the key to matching a few pins?

Any info and thoughts appreciated! There are people out there right now trying to find this information! I know I have been asking around for weeks now!
3 Pages V   1 2 3 >  
Start new topic
Replies (1 - 50)
post Dec 15, 2013 - 3:44 PM
+Quote Post
Smaay

Enthusiast
*****
Joined Dec 8, '03
From Lancaster CA
Currently Offline

Reputation: 6 (100%)




yes the harness can be used, you might have to change some pins, is this a BEAMS 3S-GE? if so im sure this has to be covered. Batman has this info i believe


--------------------
2001 Celica GT-S Turbo
1997 Supra TT 6speed
1997 Celica 3MZ/1MZ swap
1990 Celica All-Trac
post Dec 15, 2013 - 5:06 PM
+Quote Post
H8TRAIN



Enthusiast
*
Joined Oct 20, '13
From Cal Bay Area
Currently Offline

Reputation: 0 (0%)




QUOTE (Smaay @ Dec 15, 2013 - 3:44 PM) *
yes the harness can be used, you might have to change some pins, is this a BEAMS 3S-GE? if so im sure this has to be covered. Batman has this info i believe


This is about the non beams 2nd and 3rd gen motors in general. The beams is well documented thanks to Batman and Richee's efforts. Several other users have added to the knowledge as well.

The 2nd and 3rd gen motors however have relatively little in the way of how tos or write ups.
post Dec 15, 2013 - 6:26 PM
+Quote Post
richee3



Moderator
*****
Joined Jun 29, '08
From Denver
Currently Offline

Reputation: 59 (100%)




I know Czwalga did the swap and said it was very simple. Maybe he could contribute? I know the clutch start wire is in a different place on JDM Celicas, and mi645 just confirmed that on his swap. The BEAMS needs two changes in the EA1 plug- one of those is because the 5S uses a distributor where the BEAMS uses COP so the 3rd gen won't need that but the other is a ground. You'll want to compare your 5S harness to the 3S harness there.

Overall I think it would be easier to compare the two harnesses and make the few changes necessary to the 3S harness than try to make the 5S harness work. I'd bet all the sensors and plugs on the engine will be completely different, making more work to try to make the 5S harness work.


--------------------
"Employ your time in improving yourself by other men's writings, so that you shall gain easily what others labored hard for." -Socrates. Even Socrates told us to use the search button!

2006 Aston Martin V8 Vantage.
1998 Celica GT-
BEAMS Swapped.
2022 4Runner TRD Off Road Prenium.
2021 GMC Sierra AT4.
post Dec 15, 2013 - 8:07 PM
+Quote Post
Rusty



Moderator
*****
Joined Nov 5, '07
From New Zealand
Currently Offline

Reputation: 3 (100%)




JDM Celica's don't have the 'clutch start' feature.
With richee3 on comparing the 2 harnessesssss together.

I have wiring diagrams and pinouts if it helps, plus can check my Celica if you're trying to find what wire goes where or vacuum hosing due to the ACIS system.


--------------------
post Dec 15, 2013 - 8:22 PM
+Quote Post
czwalga

Enthusiast
****
Joined Sep 27, '10
From pittsburgh
Currently Offline

Reputation: 4 (100%)




My harness was cut everywhere so I end up combining my 5sfe and 3sge harness. Also had to add 3 feet of extension to reach.

Generally it was pretty simple, but since mine was cut it made it more difficult, but wiring in general is easy for me.


If you have a complete 3sge harness, use it.

This post has been edited by czwalga: Dec 15, 2013 - 8:29 PM


--------------------
-93 Rx7, Turbo 6.1L v8, 725rwhp/760rwtq
-95 Celica GT Rally Car - 3sge/AWD
-10 F150

Always buying stock wheels... PM me if interested in selling.
post Dec 15, 2013 - 11:13 PM
+Quote Post
mi645

Enthusiast
***
Joined May 23, '12
From northridge,CA
Currently Offline

Reputation: 3 (100%)




the easiest wat to do this swap is to use the 3sge harness, only the wires follwoing the distributor need to be extened, and the idle ac valve wires. everything else reaches all you have to do is go through youre wiring harness unwrap everything and straighten all the wires out, the wites going to the ea1 plug from tr starter solenoid basically split them and retape tem away from the rest of the harness and make sure you use the factory shields rubning behind and the side of trans and engine. everything else basivslly works im even using 5sfe fuse box. i was missing 1 thing the pin connector that hooks to the idle ac valve wasnt with my harness, thats about it for wiring. im still trying to figure out how to wite my solenoid to start my car, havent touched it yet. but will ge back to u guys tomorrow.
post Dec 15, 2013 - 11:52 PM
+Quote Post
richee3



Moderator
*****
Joined Jun 29, '08
From Denver
Currently Offline

Reputation: 59 (100%)




The other thing you could do is get in touch with mr220v. He may have the wiring diagrams and tell you what changes to make for a fraction of what it would cost to have him make the harness for you.


--------------------
"Employ your time in improving yourself by other men's writings, so that you shall gain easily what others labored hard for." -Socrates. Even Socrates told us to use the search button!

2006 Aston Martin V8 Vantage.
1998 Celica GT-
BEAMS Swapped.
2022 4Runner TRD Off Road Prenium.
2021 GMC Sierra AT4.
post Dec 16, 2013 - 4:15 AM
+Quote Post
H8TRAIN



Enthusiast
*
Joined Oct 20, '13
From Cal Bay Area
Currently Offline

Reputation: 0 (0%)




QUOTE (richee3 @ Dec 15, 2013 - 11:52 PM) *
The other thing you could do is get in touch with mr220v. He may have the wiring diagrams and tell you what changes to make for a fraction of what it would cost to have him make the harness for you.


I talked to him about this a few weeks ago. He said that very little would have to be done but wasn't sure about it off-hand. We did confirm that the 3 ecu plugs on the 5sfe harness fit right into the 3rd gen ecu. Not sure what needs to be re-pinned off-hand.

Thanks everyone for contributing so far. Especially czwalga and mi645 for dropping in with the first hand experience.
post Dec 16, 2013 - 8:51 AM
+Quote Post
czwalga

Enthusiast
****
Joined Sep 27, '10
From pittsburgh
Currently Offline

Reputation: 4 (100%)




I'm not sure if I had a different harness, but there was no way mine was fitting in the OEM location without extending the harness. It was made for RHD, so it entered on the complete other side of the firewall.

There's still connections that have to be made, to the body? harness. For the gauges, fuel pump, etc that sit right above the ECU in the stock location. It just plugs right in, but if the wiring isnt long enough to get there you'll have to extend them.


Like I said though my harness was really mangled, so I just pretty much made my own out of the two I had. I think the igniter colors were different? Buy the celica oem wiring manual for like $20. That along with the 3sge ECU pinout is enough to figure out what needs done no matter what harness you're using.


--------------------
-93 Rx7, Turbo 6.1L v8, 725rwhp/760rwtq
-95 Celica GT Rally Car - 3sge/AWD
-10 F150

Always buying stock wheels... PM me if interested in selling.
post Dec 16, 2013 - 2:22 PM
+Quote Post
99gt3sge

Enthusiast
*
Joined Jun 7, '11
From so cal
Currently Offline

Reputation: 0 (0%)




QUOTE (H8TRAIN @ Dec 15, 2013 - 3:13 PM) *
Wiring for Non-Turbo 3SGE swaps into Celica ST204 is undocumented. Strange but true. As of today, we have two 6gc members (KAOS and mi645) attempting the 3rd gen 3sge swap with no information on how to wire them.

I understand that the swaps have been done and are not difficult. I’m starting this thread in hopes that those with the experience can answer some questions about these swaps. The details of the wiring all follow from one primary question.

Question: Is it best to use a 5sfe harness to swap in the 2/3gen 3sge?

(Reminder: 3sge means non turbo or na. Without a ‘t’ in it. Not 3sgte. Normally aspirated.This thread is about the 3sge. That is not a typo. Atmo. Strictly vacuum. Sucker not blower.)

Following are the threads and posts that lead to this question.

This was posted on here by 99gt3sge

QUOTE (99gt3sge @ Aug 9, 2013 - 3:34 AM) *
you can use your 3s harness, i did a swap for my friend using a 3rd gen 3sge non beams with his original 5sfe harness, i had to wire up two injectors, re-pin the dizzy, and re-pin the ecu plugs to run the ge ecu. and extended some of the tb plugs and wire in the acis solenoid. it's not as easy as wiring a honda but it's very doable.


From eazy2001x on mr2oc:

QUOTE
thats a Gen 2 celica engine, your better off using a 5S harness and modding it to work.



From user pimpm3 on mr2oc:
Sadly, the image of the wiring changes that he made seems to be lost on the internet. I tried waybackmachine. No luck.

QUOTE
I had a hard time finding the exact instructions on how to wire in a 2nd Gen 3sge into a 1991 Na car, so I made a chart that shows how I did it. I hope this helps.

The 26 Pin and 16 Pin connectors plug straight into the ECU from the engine harness, the only wiring I had to do was on the 22 Pin connector. I took the wires from the 14 Pin Body harness conector that and soldered them on as follows to the 22 Pin connector so it will fit in the 3sge ecu. I labeled the wires on each conector before I cut them and then all you have to do is match them up.

The car starts right up and runs great. You can hook STA from the 22 Pin Connector up to the starter relay if you like but I did not and the car starts fine with out it.


Open questions for anyone who knows:

Can the 5sfe celica wiring harness be used on a 3rd gen 3sge swap?
If so what changes must be made?
Is it simply an act of opening both ecus, looking at the printed diagrams, and matching them up?

The 3rd gen motor is supposedly the easiest to install but is the 2nd gen really any harder? Can not the 5sfe harness be modified slightly to run the 2nd gen engine and ecu? Again do the ecus need to be simply opened to reveal the key to matching a few pins?

Any info and thoughts appreciated! There are people out there right now trying to find this information! I know I have been asking around for weeks now!



I have done two 3sge non beams swaps, one of them i used the 3sge harness and the other i used the 5sfe harness.
first off, If you have the complete 3s harness then everything is basically plug and play. the things i had to do was remove the the plastics that cover the harness in the rear section of the harness and then it frees up some extra length which allows you to reach the the ecu plugs. aside from that i extended the ignitter and coil wires to reach the fire wall. and i also extended the intake sensor that goes into the air box. also there's one wire that is missing from the engine bay fuse box which i believe its for the airbag, it's up too you if you run this wire. this method is way easier than cutting the harness and extending it. and lastly since my car was an auto i had to jump the wire from the neutral safety switch so my car would start and wire in the reverse switch. other than that everything is plug and play.

The second swap i did i used the original 5s harness because the 3s harness had the fuse box wires cut off, and the dash plugs cut off. So i compared the 3sge harness and its basically the same lay out. first of all i sourced the ecu plugs form a s/c previa, it has the same plugs as the 3s. then i re-pinned the ecu wires to match the 3s diagram. now since this car was a federal car the injectors are wired a bit differently than a cali car. i basically had to to wire two injectors to the ecu plugs. for the reason that the 5s injectors share wiring signals. then i wired the acis solenoid to the ecu, i also wired in the 02 sensor. i used the two wires from the 5s 02 sensors and added one wire in. after that i laid out the harness on the engine and i had to make sure the plugs reached the throttle body and the sensors that go on the water neck. and also i had to re-pin the dizzy wires, there in different location. Basically all the plugs that go to the engine are the same as the 3s, after doing both swaps i preferred using the 5s harness due to the fact that the car with the 5s harness idles smoother than my car which is using the 3s harness.
over all since i have wired hondas, 2jz's, sr's this swap would have been easier if i had better wiring diagrams. but that my 2cents.
post Dec 16, 2013 - 2:49 PM
+Quote Post
Rusty



Moderator
*****
Joined Nov 5, '07
From New Zealand
Currently Offline

Reputation: 3 (100%)




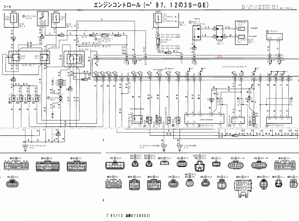
3S-GE Pinouts





3S-GE Wiring Diagrams



Large version



Large version




Large version




Large version


--------------------
post Dec 16, 2013 - 9:21 PM
+Quote Post
H8TRAIN



Enthusiast
*
Joined Oct 20, '13
From Cal Bay Area
Currently Offline

Reputation: 0 (0%)




Thanks mi645, czwalga, 99gt3sge and rusty for helping make this the most informative page on the whole internet about this subject!
post Dec 16, 2013 - 10:13 PM
+Quote Post
mi645

Enthusiast
***
Joined May 23, '12
From northridge,CA
Currently Offline

Reputation: 3 (100%)




well now i try to run the motor it idles so bad cuz the avis doesnt close after start up im guessing cuz i dont have the intske vaccum connected
post Dec 17, 2013 - 8:51 AM
+Quote Post
czwalga

Enthusiast
****
Joined Sep 27, '10
From pittsburgh
Currently Offline

Reputation: 4 (100%)




....

This post has been edited by czwalga: Dec 17, 2013 - 8:53 AM


--------------------
-93 Rx7, Turbo 6.1L v8, 725rwhp/760rwtq
-95 Celica GT Rally Car - 3sge/AWD
-10 F150

Always buying stock wheels... PM me if interested in selling.
post Dec 17, 2013 - 11:37 AM
+Quote Post
mi645

Enthusiast
***
Joined May 23, '12
From northridge,CA
Currently Offline

Reputation: 3 (100%)




lol czwalga, my issue was that my motor didnt come with oem box, im waitig on 1 coming in the mail.
post Dec 18, 2013 - 2:33 AM
+Quote Post
99gt3sge

Enthusiast
*
Joined Jun 7, '11
From so cal
Currently Offline

Reputation: 0 (0%)




you don't need a intake box, im runing a short ram intake
post Dec 31, 2013 - 3:39 PM
+Quote Post
mi645

Enthusiast
***
Joined May 23, '12
From northridge,CA
Currently Offline

Reputation: 3 (100%)




well i didnt have any intake system period but now i have a power enterprise hooked up all vaccum line, i will start it tonight again
post Jan 6, 2014 - 11:14 PM
+Quote Post
MR2fanatic



Enthusiast
*
Joined Jul 21, '10
From Northern NJ
Currently Offline

Reputation: 1 (100%)




We have mr220v do all our wiring conversions. http://www.wiregapinc.com/ He is reasonably priced and all you have to do is send him your existing engine harness and the 3sge engine harness and he will merge them to a plug and play solution. Saves a lot of down time!


--------------------
PRIME Performance 862-258-3346
Check out our store and services: www.PRIMEMR2.com
post Mar 27, 2014 - 11:54 PM
+Quote Post
KAOS



Enthusiast
*****
Joined Apr 18, '06
From Calgary, Canada
Currently Offline

Reputation: 37 (100%)




QUOTE (H8TRAIN @ Dec 16, 2013 - 8:21 PM) *
Thanks mi645, czwalga, 99gt3sge and rusty for helping make this the most informative page on the whole internet about this subject!


No doubt. I have been so frustrated and scared of everything that I have to do, that I've completely backed away from the swap for the last 6 months or so. :'(

Enough is enough, I'm back. thumbsup.gif

Thank you so much for starting this thread, how far have you come on your swap?

QUOTE (MR2fanatic @ Jan 6, 2014 - 10:14 PM) *
We have mr220v do all our wiring conversions. http://www.wiregapinc.com/ He is reasonably priced and all you have to do is send him your existing engine harness and the 3sge engine harness and he will merge them to a plug and play solution. Saves a lot of down time!


Save's a lot of downtime, but what if you no longer have the original harness? He's quite costly as well, IIRC.

I do however have 2 3SGE harnesses, and was hoping to simply extend the wiring on the GOOD ONE - with the wiring from the OLD ONE in order to use the stock firewall hole. cwalga, this is how you did it? And it was relatively simple? It seems like a daunting task to me... frown.gif

QUOTE (99gt3sge @ Dec 16, 2013 - 1:22 PM) *
I have done two 3sge non beams swaps, one of them i used the 3sge harness and the other i used the 5sfe harness.
first off, If you have the complete 3s harness then everything is basically plug and play. the things i had to do was remove the the plastics that cover the harness in the rear section of the harness and then it frees up some extra length which allows you to reach the the ecu plugs. aside from that i extended the ignitter and coil wires to reach the fire wall. and i also extended the intake sensor that goes into the air box. also there's one wire that is missing from the engine bay fuse box which i believe its for the airbag, it's up too you if you run this wire. this method is way easier than cutting the harness and extending it. and lastly since my car was an auto i had to jump the wire from the neutral safety switch so my car would start and wire in the reverse switch. other than that everything is plug and play.


This seems like the more feasible route. Would you happen to have any pictures or references to your "remove the plastics that cover the harness in the rear section (do you mean the section that goes through the firewall?)"

I'm using the 3SGE ECU as well, were there any pins that needed to get swapped on the INTERIOR cabin harness, or is it all plug in play from the ECU onward?

Thank you, 99gt3sge!




-----

All in all, I'm excited to get this project started again, and more importantly, FINISHED.

You'll probably see me spamming the boards with a plethora of questions over the next couple of weeks... apologies in advance.

This post has been edited by KAOS: Mar 27, 2014 - 11:57 PM


--------------------
post Mar 28, 2014 - 9:18 AM
+Quote Post
KAOS



Enthusiast
*****
Joined Apr 18, '06
From Calgary, Canada
Currently Offline

Reputation: 37 (100%)




Next large task on my agenda:

Figuring out the axels. I was told at one point that we could just use the 5SFE axels in the 3S - which is all good with me, but what about the driveshaft bearing on the passenger side?

Meaning, will the 5S driveshaft work in the 3S bearing mount?


--------------------
post Mar 29, 2014 - 2:33 AM
+Quote Post
mi645

Enthusiast
***
Joined May 23, '12
From northridge,CA
Currently Offline

Reputation: 3 (100%)




id ur using s54 everything will bolt onto the 3sge even the carrier bearing. only the e56 or e153 u need different components
post May 1, 2014 - 12:02 PM
+Quote Post
KAOS



Enthusiast
*****
Joined Apr 18, '06
From Calgary, Canada
Currently Offline

Reputation: 37 (100%)




Anyone make any progress on their swaps?


--------------------
post May 15, 2014 - 2:21 PM
+Quote Post
KAOS



Enthusiast
*****
Joined Apr 18, '06
From Calgary, Canada
Currently Offline

Reputation: 37 (100%)




Anyone who lengthened their harnesses, how much did you have to lengthen it by? I'm thinking around 4 feet should do the trick, but I don't know...

Thoughts? Where did everyone go on this topic?


--------------------
post May 15, 2014 - 2:27 PM
+Quote Post
richee3



Moderator
*****
Joined Jun 29, '08
From Denver
Currently Offline

Reputation: 59 (100%)




Whoa, easy! I extended mine about 2 feet and it was just a little bit too much. I'd rather have just a little bit too much than not enough.


--------------------
"Employ your time in improving yourself by other men's writings, so that you shall gain easily what others labored hard for." -Socrates. Even Socrates told us to use the search button!

2006 Aston Martin V8 Vantage.
1998 Celica GT-
BEAMS Swapped.
2022 4Runner TRD Off Road Prenium.
2021 GMC Sierra AT4.
post May 15, 2014 - 2:59 PM
+Quote Post
Batman722



Enthusiast
*****
Joined Mar 8, '04
From Newport, RI
Currently Offline

Reputation: 63 (99%)




I've heard between 18"-24" is ideal.


--------------------
post May 15, 2014 - 3:13 PM
+Quote Post
enderswift



Enthusiast
*****
Joined Jul 12, '08
Currently Offline

Reputation: 5 (100%)




for what it's worth here's what I did for my 3s swap, not sure how this compares to what would be required for a beams harness:



Its extended by 42"


It runs around the clutch reservoir and along the firewall, suspended from the strutbrace, before entering the factory harness opening on the passenger side.

I have had zero issues with clearances or anything else like that.

If you're planning to do this be prepared to extend a coaxial cable, and to recreate some cable shielding. 3M sells shielding tape, but it's possible to make your own with a litte extra work.

This post has been edited by enderswift: May 15, 2014 - 3:20 PM


--------------------
post May 16, 2014 - 1:11 AM
+Quote Post
mi645

Enthusiast
***
Joined May 23, '12
From northridge,CA
Currently Offline

Reputation: 3 (100%)




i didnt extend mine, i simply took all the factory tape off re routed everything tape it back up, put the shields on and thats about it, i only extended igniter plug wire and intake temp sensor.
didnt touch the evu plug side. pretty simple.
post May 27, 2014 - 11:34 AM
+Quote Post
KAOS



Enthusiast
*****
Joined Apr 18, '06
From Calgary, Canada
Currently Offline

Reputation: 37 (100%)




QUOTE (mi645 @ May 16, 2014 - 12:11 AM) *
i didnt extend mine, i simply took all the factory tape off re routed everything tape it back up, put the shields on and thats about it, i only extended igniter plug wire and intake temp sensor.
didnt touch the evu plug side. pretty simple.


Ok, I've taken the wiring harness apart as you said and you're right, looks like I can move the majority of the wires so that the harness will reach the stock ST204 firewall hole, and then just extend the ignition and temp sensors.

Did you change any of the pinouts at the fuse box in the engine bay? Or any of the pins at the ECU? Or was it all plug and play???

This post has been edited by KAOS: May 27, 2014 - 11:35 AM


--------------------
post May 27, 2014 - 6:43 PM
+Quote Post
mi645

Enthusiast
***
Joined May 23, '12
From northridge,CA
Currently Offline

Reputation: 3 (100%)




everything is plug and play, and yes the harness reaches with no problems just make sure u put new shield and wiring tape for safety, and no u dont have to re pin a single thing if ur using the ecu that came with the engine and harness off the 3sge. if u need anything else let me know smile.gif
post May 28, 2014 - 11:03 PM
+Quote Post
KAOS



Enthusiast
*****
Joined Apr 18, '06
From Calgary, Canada
Currently Offline

Reputation: 37 (100%)




QUOTE (mi645 @ May 27, 2014 - 5:43 PM) *
everything is plug and play, and yes the harness reaches with no problems just make sure u put new shield and wiring tape for safety, and no u dont have to re pin a single thing if ur using the ecu that came with the engine and harness off the 3sge. if u need anything else let me know smile.gif


Thank you! That's a major load off.

ETA - 4 WEEKS TOPS. I'm pumped. biggrin.gif biggrin.gif

... would be less time, but my buddy is going away on holidays for a couple weeks and my car/engine are at HIS shop... biggrin.gif


--------------------
post Jul 19, 2014 - 9:08 PM
+Quote Post
KAOS



Enthusiast
*****
Joined Apr 18, '06
From Calgary, Canada
Currently Offline

Reputation: 37 (100%)




Any one here doing the 3SGE into a St204 use the S54 transmission from the 3SGE?

What pressure plate, flywheel, and friction disc did you use?

I used a 3SGTE flywheel and a clutch kit for a 3SGTE and I had no problems getting the splines lined up and the bell housing attached.

Did I do something wrong? I was recently told that I should have had to use a friction disc from a 5S as the splines weren't meant to match up... ???


--------------------
post Jul 20, 2014 - 9:31 AM
+Quote Post
Smaay

Enthusiast
*****
Joined Dec 8, '03
From Lancaster CA
Currently Offline

Reputation: 6 (100%)




the E series trans and S series trans have different sized input shafts and spline counts.


--------------------
2001 Celica GT-S Turbo
1997 Supra TT 6speed
1997 Celica 3MZ/1MZ swap
1990 Celica All-Trac
post Jul 21, 2014 - 2:32 AM
+Quote Post
mi645

Enthusiast
***
Joined May 23, '12
From northridge,CA
Currently Offline

Reputation: 3 (100%)




kaos show us a picture of the transmission its most likely an e series if the 3sgte clutch kit fit.
post Jul 21, 2014 - 9:52 AM
+Quote Post
KAOS



Enthusiast
*****
Joined Apr 18, '06
From Calgary, Canada
Currently Offline

Reputation: 37 (100%)




QUOTE (mi645 @ Jul 21, 2014 - 1:32 AM) *
kaos show us a picture of the transmission its most likely an e series if the 3sgte clutch kit fit.



Check out my build thread, the last few posts have the pictures in them.


--------------------
post Jul 21, 2014 - 10:00 AM
+Quote Post
KAOS



Enthusiast
*****
Joined Apr 18, '06
From Calgary, Canada
Currently Offline

Reputation: 37 (100%)




Actually here:



--------------------
post Jul 21, 2014 - 11:50 AM
+Quote Post
mi645

Enthusiast
***
Joined May 23, '12
From northridge,CA
Currently Offline

Reputation: 3 (100%)




thats an s54, how did u manage to put a 3sgte clutch on that? did u use a clutch alignment tool? when u bolted the pressure plate onto the clutch/flywheel, and u put the trans in gear when ur installing it to insure te shaft goes on correctly?
post Jul 21, 2014 - 12:00 PM
+Quote Post
KAOS



Enthusiast
*****
Joined Apr 18, '06
From Calgary, Canada
Currently Offline

Reputation: 37 (100%)




QUOTE (mi645 @ Jul 21, 2014 - 10:50 AM) *
thats an s54, how did u manage to put a 3sgte clutch on that? did u use a clutch alignment tool? when u bolted the pressure plate onto the clutch/flywheel, and u put the trans in gear when ur installing it to insure te shaft goes on correctly?


How can you tell for sure that's a S54?

Used the clutch alignment tool that came in the box. Centered no problem, didn't try to put it in gear though... could try that now that the shift cables, etc have been reconnected.




This post has been edited by KAOS: Jul 21, 2014 - 12:05 PM


--------------------
post Jul 21, 2014 - 2:49 PM
+Quote Post
KAOS



Enthusiast
*****
Joined Apr 18, '06
From Calgary, Canada
Currently Offline

Reputation: 37 (100%)




Have to drop the transmission out now and put in the 5S friction disc. :'(


--------------------
post Jul 23, 2014 - 11:58 PM
+Quote Post
mi645

Enthusiast
***
Joined May 23, '12
From northridge,CA
Currently Offline

Reputation: 3 (100%)




its not so hard, im still curious how u managed to put a 3sgte clutch in there lol? if u have a spare 3sgte clutch maybe ill buy it to test if it works for the E56
post Jul 24, 2014 - 9:43 PM
+Quote Post
KAOS



Enthusiast
*****
Joined Apr 18, '06
From Calgary, Canada
Currently Offline

Reputation: 37 (100%)




QUOTE (mi645 @ Jul 23, 2014 - 10:58 PM) *
its not so hard, im still curious how u managed to put a 3sgte clutch in there lol? if u have a spare 3sgte clutch maybe ill buy it to test if it works for the E56



Now I have a spare pressure plate from a 5SFE and a friction disc from a 3SGTE (21 spline).

Anyone have any vacuum diagrams that they could throw up quick for me?

Still having issues with the swap.

Car starts, and idles great. Very smooth. But at 3k RPM it sputters, misfires and backfires. frown.gif

Timing is good, 10 degrees with check connector bridged. Firing order correct - spark plug wires are all good. If you unplug each one of the wires it definitely changes the way the engine runs, so it is idling on all 4 cylinders. We had to take the timing belt off to deal with an oil leak, and it had the same misfire before and after. I triple checked the cam timing when the belt went back on.

No codes, even when I try the diagnostic mode. the CEL will flash when it misfires and hits this weird 2500 - 3000 RPM rev 'limit' but no codes are thrown. It will drive the wheels in 5th (car is on a hoist) so it runs fine under load, but has the same stumble/rev limit at 2500/3000.

Also loud backfiring out the exhaust, and the intake vacuum 'pulses' to atmospheric when it hits this rev limit. Plug gaps are fine but plugs are a little black. Seems like an ignition problem? Has new plugs, cap and rotor. Was going to try an igniter/coil assy from a known working ST205, also different plug wires. We also have another ECU to check with.

It runs beautifully right up until you hit this weird rev limit/misfire point. Starts right up, idles nice and smooth.

Any other ideas?

Going to try my other spark plug wires and my MR2 ECU on Monday.

Checked the TPS sensor, coil, and ignitor - all good. 90% of the parts are brand new.

I have a feeling about the wires, as I recall feeling a significant break in the #4 cable, but didn't really think anything of it when I installed it. I also want to check my vacuum lines because the ACIS is exhibiting an odd behaviour too ( I think )... and my fuel pressure VSV broke when putting the engine back into the bay. Snapped a nipple off in the hose.

This post has been edited by KAOS: Jul 24, 2014 - 9:43 PM


--------------------
post Jul 24, 2014 - 10:56 PM
+Quote Post
Kev6GCTH

Enthusiast
*
Joined Jan 26, '14
From Thailand
Currently Offline

Reputation: 0 (0%)




In my past experience, low rev limit was came from you use wrong part no. of ignitor.
post Jul 25, 2014 - 2:14 AM
+Quote Post
mi645

Enthusiast
***
Joined May 23, '12
From northridge,CA
Currently Offline

Reputation: 3 (100%)




use 5s igniter and coil. ad map sensor they r the same just to test it.
post Jul 25, 2014 - 9:55 AM
+Quote Post
KAOS



Enthusiast
*****
Joined Apr 18, '06
From Calgary, Canada
Currently Offline

Reputation: 37 (100%)




QUOTE (mi645 @ Jul 25, 2014 - 1:14 AM) *
use 5s igniter and coil. ad map sensor they r the same just to test it.


My 5s didn't have a coil... just the ignitor.


--------------------
post Jul 25, 2014 - 4:41 PM
+Quote Post
mi645

Enthusiast
***
Joined May 23, '12
From northridge,CA
Currently Offline

Reputation: 3 (100%)




my bad i meant just the igniter
post Jul 26, 2014 - 6:39 PM
+Quote Post
Rusty



Moderator
*****
Joined Nov 5, '07
From New Zealand
Currently Offline

Reputation: 3 (100%)




My thoughts are on the igniter being faulty, what is your vacuum piping set up btw, some people can get some lines mixed up too


--------------------
post Jul 26, 2014 - 6:57 PM
+Quote Post
KAOS



Enthusiast
*****
Joined Apr 18, '06
From Calgary, Canada
Currently Offline

Reputation: 37 (100%)




We took a known working igniter and coil and had the same result.

I'm leaning more towards the spark plug wires or the distributor.


--------------------
post Jul 26, 2014 - 7:52 PM
+Quote Post
Rusty



Moderator
*****
Joined Nov 5, '07
From New Zealand
Currently Offline

Reputation: 3 (100%)




Whats the spark like?


--------------------
post Jul 27, 2014 - 1:27 PM
+Quote Post
KAOS



Enthusiast
*****
Joined Apr 18, '06
From Calgary, Canada
Currently Offline

Reputation: 37 (100%)




QUOTE (Rusty @ Jul 26, 2014 - 6:52 PM) *
Whats the spark like?


seems ok on startup, pulled each plug out during idle and the plugs are firing, but havent tested under load, which is when the backfiring happens... kindasad.gif


--------------------
post Aug 1, 2019 - 12:23 PM
+Quote Post
marco2002

Enthusiast

Joined Jul 1, '19
From Virginia
Currently Offline

Reputation: 0 (0%)




Bout to install new Red top Beams . Engine comes with harness and ecu. But does not come with air intake hose or air box or MAF. Can I use the air intake hose and air box off of my existing 5SFE ? I plan to purchase new MAF
post Aug 4, 2019 - 11:51 AM
+Quote Post
richee3



Moderator
*****
Joined Jun 29, '08
From Denver
Currently Offline

Reputation: 59 (100%)




QUOTE (marco2002 @ Aug 1, 2019 - 11:23 AM) *
Bout to install new Red top Beams . Engine comes with harness and ecu. But does not come with air intake hose or air box or MAF. Can I use the air intake hose and air box off of my existing 5SFE ? I plan to purchase new MAF

The BEAMS has a much larger throttle body and totally different intake lid than the 5S, and the MAF housing is built into the lid of the airbox so unfortunately none of the 5S stuff will work. The bottom half of the 5S intake box is the same so that part can be used again but you'll still want a BEAMS intake lid and elbow.


--------------------
"Employ your time in improving yourself by other men's writings, so that you shall gain easily what others labored hard for." -Socrates. Even Socrates told us to use the search button!

2006 Aston Martin V8 Vantage.
1998 Celica GT-
BEAMS Swapped.
2022 4Runner TRD Off Road Prenium.
2021 GMC Sierra AT4.

3 Pages V   1 2 3 >
Reply to this topicStart new topic
1 User(s) are reading this topic (1 Guests and 0 Anonymous Users)
0 Members:

 



Lo-Fi Version Time is now: November 16th, 2025 - 3:19 PM