Dec 15, 2013 - 3:13 PM
|
|
![]() Enthusiast ![]() Joined Oct 20, '13 From Cal Bay Area Currently Offline Reputation: 0 (0%) |
Wiring for Non-Turbo 3SGE swaps into Celica ST204 is undocumented. Strange but true. As of today, we have two 6gc members (KAOS and mi645) attempting the 3rd gen 3sge swap with no information on how to wire them.
I understand that the swaps have been done and are not difficult. I’m starting this thread in hopes that those with the experience can answer some questions about these swaps. The details of the wiring all follow from one primary question. Question: Is it best to use a 5sfe harness to swap in the 2/3gen 3sge? (Reminder: 3sge means non turbo or na. Without a ‘t’ in it. Not 3sgte. Normally aspirated.This thread is about the 3sge, NOT the BEAMS. That is not a typo. Atmo. Strictly vacuum. Sucker not blower.) Following are the threads and posts that lead to this question. This was posted on here by 99gt3sge you can use your 3s harness, i did a swap for my friend using a 3rd gen 3sge non beams with his original 5sfe harness, i had to wire up two injectors, re-pin the dizzy, and re-pin the ecu plugs to run the ge ecu. and extended some of the tb plugs and wire in the acis solenoid. it's not as easy as wiring a honda but it's very doable. From eazy2001x on mr2oc: QUOTE thats a Gen 2 celica engine, your better off using a 5S harness and modding it to work. From user pimpm3 on mr2oc: Sadly, the image of the wiring changes that he made seems to be lost on the internet. I tried waybackmachine. No luck. QUOTE I had a hard time finding the exact instructions on how to wire in a 2nd Gen 3sge into a 1991 Na car, so I made a chart that shows how I did it. I hope this helps. The 26 Pin and 16 Pin connectors plug straight into the ECU from the engine harness, the only wiring I had to do was on the 22 Pin connector. I took the wires from the 14 Pin Body harness conector that and soldered them on as follows to the 22 Pin connector so it will fit in the 3sge ecu. I labeled the wires on each conector before I cut them and then all you have to do is match them up. The car starts right up and runs great. You can hook STA from the 22 Pin Connector up to the starter relay if you like but I did not and the car starts fine with out it. Open questions for anyone who knows: Can the 5sfe celica wiring harness be used on a 3rd gen 3sge swap? If so what changes must be made? Is it simply an act of opening both ecus, looking at the printed diagrams, and matching them up? The 3rd gen motor is supposedly the easiest to install but is the 2nd gen really any harder? Can not the 5sfe harness be modified slightly to run the 2nd gen engine and ecu? Again do the ecus need to be simply opened to reveal the key to matching a few pins? Any info and thoughts appreciated! There are people out there right now trying to find this information! I know I have been asking around for weeks now! |
H8TRAIN 3rd Gen 3S-GE swapping information thread Dec 15, 2013 - 3:13 PM
Smaay yes the harness can be used, you might have to cha... Dec 15, 2013 - 3:44 PM
H8TRAIN QUOTE (Smaay @ Dec 15, 2013 - 3:44 P... Dec 15, 2013 - 5:06 PM
richee3 I know Czwalga did the swap and said it was very s... Dec 15, 2013 - 6:26 PM
Rusty JDM Celica's don't have the 'clutch st... Dec 15, 2013 - 8:07 PM
czwalga My harness was cut everywhere so I end up combinin... Dec 15, 2013 - 8:22 PM
mi645 the easiest wat to do this swap is to use the 3sge... Dec 15, 2013 - 11:13 PM
richee3 The other thing you could do is get in touch with ... Dec 15, 2013 - 11:52 PM
H8TRAIN QUOTE (richee3 @ Dec 15, 2013 - 11:5... Dec 16, 2013 - 4:15 AM
czwalga I'm not sure if I had a different harness, but... Dec 16, 2013 - 8:51 AM
99gt3sge QUOTE (H8TRAIN @ Dec 15, 2013 - 3:13... Dec 16, 2013 - 2:22 PM
KAOS QUOTE (H8TRAIN @ Dec 16, 2013 - 8:21... Mar 27, 2014 - 11:54 PM
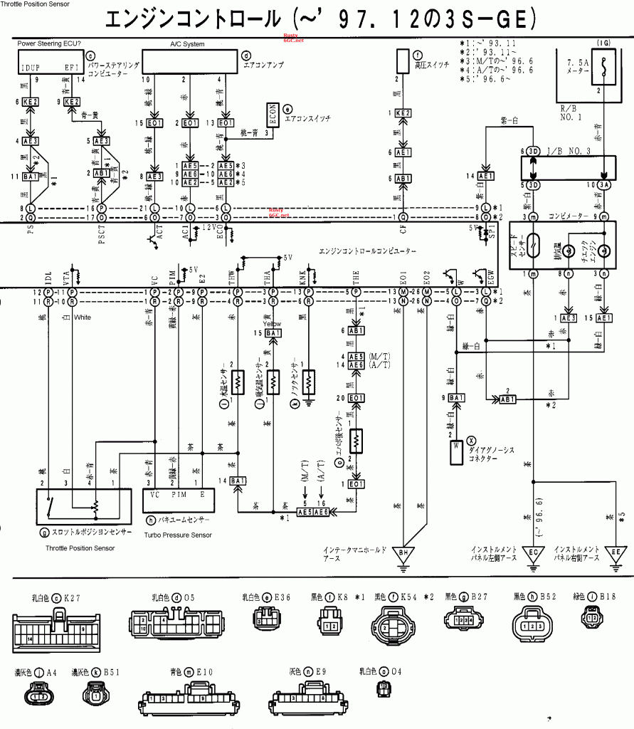
Rusty 3S-GE Pinouts
3S-GE Wiring Diagrams
Large v... Dec 16, 2013 - 2:49 PM
H8TRAIN Thanks mi645, czwalga, 99gt3sge and rusty for help... Dec 16, 2013 - 9:21 PM
mi645 well now i try to run the motor it idles so bad cu... Dec 16, 2013 - 10:13 PM
czwalga .... Dec 17, 2013 - 8:51 AM
mi645 lol czwalga, my issue was that my motor didnt come... Dec 17, 2013 - 11:37 AM
99gt3sge you don't need a intake box, im runing a short... Dec 18, 2013 - 2:33 AM
mi645 well i didnt have any intake system period but now... Dec 31, 2013 - 3:39 PM
MR2fanatic We have mr220v do all our wiring conversions. http... Jan 6, 2014 - 11:14 PM
KAOS Next large task on my agenda:
Figuring out the ax... Mar 28, 2014 - 9:18 AM
mi645 id ur using s54 everything will bolt onto the 3sge... Mar 29, 2014 - 2:33 AM
KAOS Anyone make any progress on their swaps? May 1, 2014 - 12:02 PM
KAOS Anyone who lengthened their harnesses, how much di... May 15, 2014 - 2:21 PM
richee3 Whoa, easy! I extended mine about 2 feet and i... May 15, 2014 - 2:27 PM
Batman722 I've heard between 18"-24" is ideal. May 15, 2014 - 2:59 PM
enderswift for what it's worth here's what I did for ... May 15, 2014 - 3:13 PM
mi645 i didnt extend mine, i simply took all the factory... May 16, 2014 - 1:11 AM
KAOS QUOTE (mi645 @ May 16, 2014 - 12:11 ... May 27, 2014 - 11:34 AM
mi645 everything is plug and play, and yes the harness r... May 27, 2014 - 6:43 PM
KAOS QUOTE (mi645 @ May 27, 2014 - 5:43 P... May 28, 2014 - 11:03 PM
KAOS Any one here doing the 3SGE into a St204 use the S... Jul 19, 2014 - 9:08 PM
Smaay the E series trans and S series trans have differe... Jul 20, 2014 - 9:31 AM
mi645 kaos show us a picture of the transmission its mos... Jul 21, 2014 - 2:32 AM
KAOS QUOTE (mi645 @ Jul 21, 2014 - 1:32 A... Jul 21, 2014 - 9:52 AM
KAOS Actually here: Jul 21, 2014 - 10:00 AM
mi645 thats an s54, how did u manage to put a 3sgte clut... Jul 21, 2014 - 11:50 AM
KAOS QUOTE (mi645 @ Jul 21, 2014 - 10:50 ... Jul 21, 2014 - 12:00 PM
KAOS Have to drop the transmission out now and put in t... Jul 21, 2014 - 2:49 PM
mi645 its not so hard, im still curious how u managed to... Jul 23, 2014 - 11:58 PM
KAOS QUOTE (mi645 @ Jul 23, 2014 - 10:58 ... Jul 24, 2014 - 9:43 PM
Kev6GCTH In my past experience, low rev limit was came from... Jul 24, 2014 - 10:56 PM
mi645 use 5s igniter and coil. ad map sensor they r the ... Jul 25, 2014 - 2:14 AM
KAOS QUOTE (mi645 @ Jul 25, 2014 - 1:14 A... Jul 25, 2014 - 9:55 AM
mi645 my bad i meant just the igniter Jul 25, 2014 - 4:41 PM
Rusty My thoughts are on the igniter being faulty, what ... Jul 26, 2014 - 6:39 PM
KAOS We took a known working igniter and coil and had t... Jul 26, 2014 - 6:57 PM
Rusty Whats the spark like? Jul 26, 2014 - 7:52 PM
KAOS QUOTE (Rusty @ Jul 26, 2014 - 6:52 P... Jul 27, 2014 - 1:27 PM
marco2002 Bout to install new Red top Beams . Engine comes ... Aug 1, 2019 - 12:23 PM
richee3 QUOTE (marco2002 @ Aug 1, 2019 - 11... Aug 4, 2019 - 11:51 AM![]() ![]() |
| Lo-Fi Version | Time is now: December 28th, 2025 - 12:31 PM |